专业生产气刹车制动器
  设为首页   |   加入收藏  |  联系方式
无锡市宏建液压气动元件厂     用户服务热线:0510-88551107
主页导航 公司简介 产品展示 资质荣誉 新闻中心 下载中心 在线留言 联系方式
 
用于拉丝机行业的
   1、拉丝机上用于排线的各种规格
     “夹紧气缸”
   2、多种规格气刹车 制动器
   3、用于收放线工字轮的各种连续
     回转顶紧气缸
   4、工字轮收放线机升降气缸
执行元件:气缸
执行元件:液压缸
YZ系列液压泵站
高压软管总成
 
无锡市宏建液压气动元件厂
地址:江苏无锡新区梅村新泰工业区锡群路49号
联系人:王建
手   机:(0)13506175330
电 话:0510-88551102
用户服务热线:0510-88551107
E-mail:sales@wxhjyy.com
网 址:http://www.wxhjyy.com
 
您当前的位置:宏建液压主页 > 产品展示
 
工字轮收放线机升降气缸

 
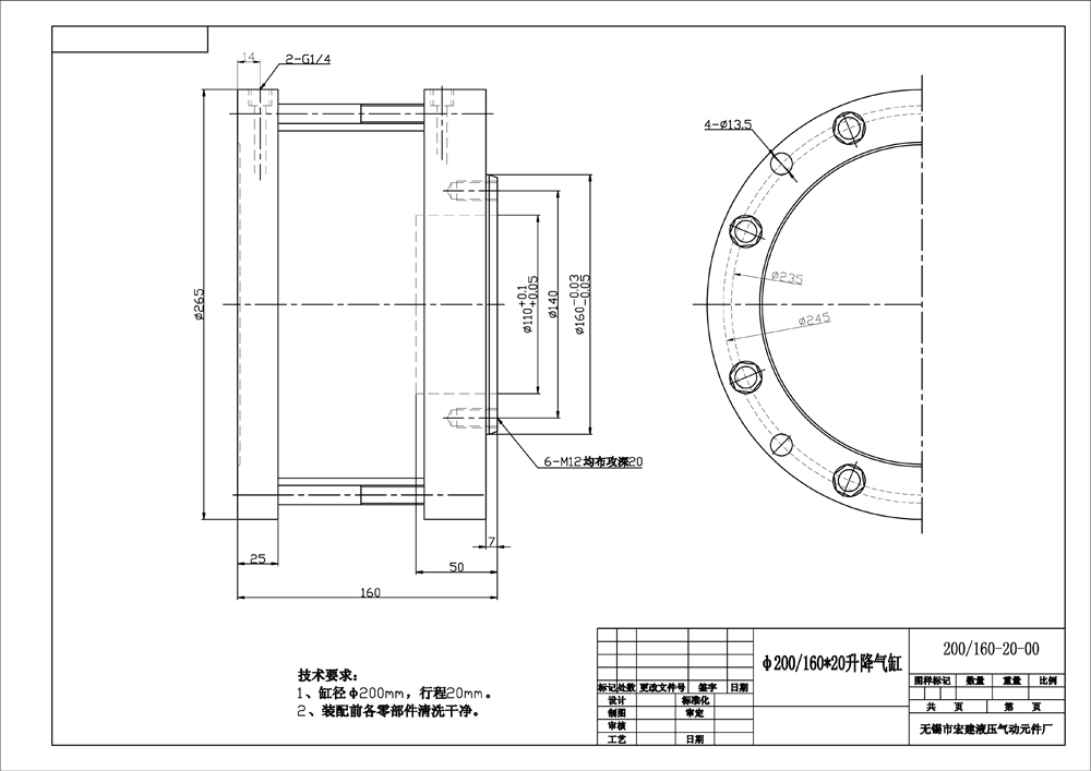
φ200/160*20升降气缸
 
 

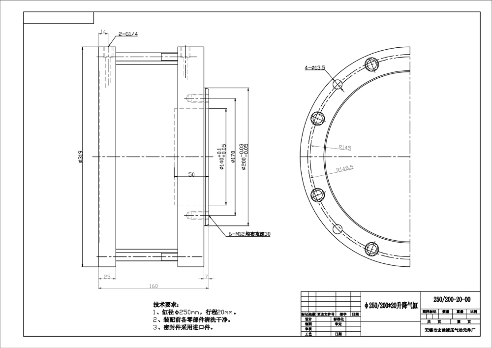
 φ250/200*20升降气缸

 

[φ250/200*20升降气缸图纸下载]

 

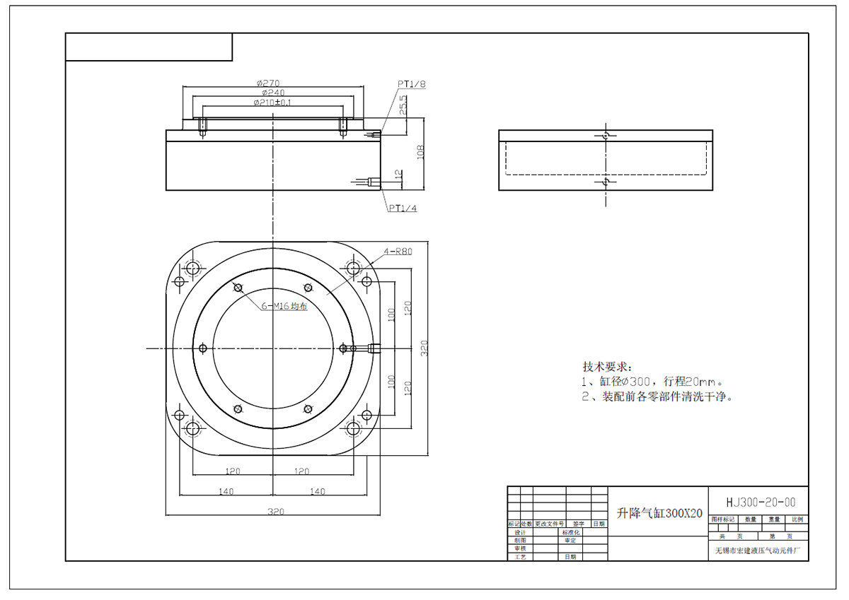
φ300X20升降气缸

 
上一条:气刹车(连续回转顶紧气缸)
[返回] [打印]
主页导航 | 公司简介 | 产品展示 | 资质荣誉 | 新闻中心 | 下载中心 | 在线留言 | 联系方式
WEBSITE © 2011 无锡市宏建液压气动元件厂  专业生产气刹车
地址:江苏无锡新区梅村新泰工业区锡群路49号 厂长:王建 (0)13506175330 电话:0510-88551102 传真:0510-88551103
邮编:214112 用户服务热线:0510-88551107 网址:http://www.wxhjyy.com E-mail:sales@wxhjyy.com
打印该页 | 发送邮局 | 返回顶部
苏ICP备05018103号-1 | 网站建设:君通科技