|
|
 |
|
| |
| QGXI 系列微型气缸 | | |
|
|
| ▲技术参数: |
|
工作压力范围:0.15-0.8MPa
工作温度:-10~80℃
工作介质:经过净化带油雾的压缩空气
|
|
|
| ▲产品特色: |
|
该产品一般用于低功率的控制系统中,单活塞杆,活塞双向作用。小型、轻量、性能好。螺纹连接可拆式结构,便于维修,安装形势多,应用范围广,安装尺寸符合ISO国际标准。
|
|
|
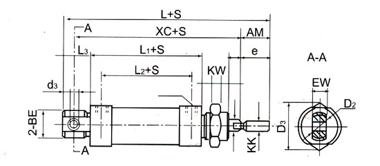
| ▲表: |
|
型号
|
代号
|
L
|
L1
|
L2
|
L
|
XC
|
AM
|
e
|
D1
|
D2
|
D3
|
d
|
kk
|
d2
|
d3
|
BE
|
EW
|
|
QGXI12*S
|
98
|
44
|
32
|
9
|
75
|
16
|
22
|
18
|
22
|
25.4
|
6
|
M6
|
M5
|
6
|
M16*1.5
|
12
|
|
QGXI16*S
|
105
|
51
|
39
|
9
|
82
|
16
|
22
|
22
|
25
|
25.4
|
6
|
M6
|
M5
|
6
|
M16*1.5
|
12
|
|
QGXI20*S
|
123
|
59
|
43
|
12
|
95
|
20
|
28
|
25
|
30
|
34.6
|
10
|
M8
|
M10*1
|
8
|
M22*1.5
|
16
|
|
QGXI25*S
|
134
|
64
|
48
|
12
|
104
|
22
|
30
|
30
|
34
|
34.6
|
10
|
M10*1.25
|
M10*1
|
8
|
M22*1.5
|
16
|
|
QGXI32*S
|
134
|
62
|
46
|
13
|
103
|
22
|
30
|
35
|
41
|
47.3
|
12
|
M10*1.25
|
M10*1
|
10
|
M30*1.5
|
18
|
|
|
[1] [2] 下一页 | | | 上一条:QGF系列带阀气缸 下一条:QGD 系列薄型气缸 | | [返回] [打印] |
|
|