|
|
 |
|
| |
| C25、D25液压缸系列 | | |
| |
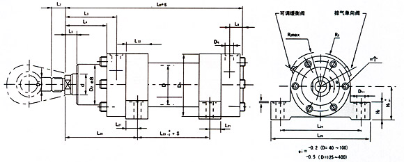
| ▲C25JG型尺寸表: |
|
D
|
40
|
50
|
63
|
80
|
100
|
125
|
140
|
160
|
180
|
200
|
220
|
250
|
280
|
320
|
360
|
400
|
|
d
|
22/28
|
28/36
|
36/45
|
45/56
|
56/70
|
70/90
|
90/100
|
100/110
|
110/125
|
125/140
|
140/160
|
160/180
|
180/200
|
200/220
|
220/250
|
250/280
|
|
L(缓衡长度)
|
20
|
20
|
25
|
30
|
35
|
50
|
50
|
55
|
65
|
70
|
80
|
90
|
90
|
100
|
110
|
120
|
|
D1
|
Ⅰ型
|
M16×1.5
|
M22×1.5
|
M30×2
|
M36×2
|
M48×2
|
M56×2
|
M72×3
|
M80×3
|
M100×3
|
M110×3
|
M125×4
|
M125×4
|
M140×4
|
M160×4
|
M180×4
|
M200×4
|
|
Ⅱ型
|
M16×1.5
|
M22×1.5
|
M28×1.5
|
M35×1.5
|
M45×1.5
|
M58×1.5
|
M65×1.5
|
M80×2
|
M100×2
|
M110×2
|
M120×3
|
M120×3
|
M130×3
|
-
|
-
|
-
|
|
Ⅲ型
|
M18×2
|
M24×2
|
M4830×2
|
M39×3
|
M50×3
|
M64×3
|
M80×3
|
M90×3
|
M100×3
|
M110×4
|
M120×4
|
M120×4
|
M150×4
|
M150×4
|
M180×4
|
M200×4
|
|
D2
|
50
|
64
|
75
|
95
|
115
|
135
|
155
|
180
|
200
|
215
|
245
|
280
|
305
|
350
|
400
|
450
|
|
D3
|
80
|
100
|
120
|
140
|
170
|
205
|
225
|
265
|
290
|
315
|
355
|
400
|
440
|
500
|
550
|
620
|
|
D4
|
公制
|
M18×1.5
|
M22×1.5
|
M27×2
|
M27×2
|
M33×2
|
M42×2
|
M42×2
|
M42×2
|
M50×2
|
M50×2
|
M50×2
|
M50×2
|
M50×2
|
M50×2
|
M60×2
|
M60×2
|
|
英表
|
G3/8"
|
G1/2"
|
G3/4"
|
G3/4"
|
G1"
|
G1 1/4 "
|
G1 1/4"
|
G1 1/4"
|
G1 1/2 "
|
G1 1/2 "
|
G1 1/2 "
|
G1 1/2 "
|
G1 1/2 "
|
G1 1/2 "
|
G2"
|
G2"
|
|
D11
|
11.5
|
11.5
|
14
|
18
|
22
|
26
|
30
|
33
|
39
|
39
|
45
|
52
|
52
|
62
|
62
|
70
|
|
L1
|
226
|
234
|
262
|
275
|
325
|
382
|
420
|
475
|
515
|
540
|
635
|
659
|
744
|
815
|
890
|
980
|
|
L2
|
Ⅰ型
|
22
|
30
|
40
|
50
|
63
|
75
|
85
|
95
|
112
|
112
|
125
|
125
|
140
|
160
|
180
|
200
|
|
Ⅱ型
|
16
|
22
|
28
|
35
|
45
|
58
|
65
|
80
|
100
|
110
|
120
|
120
|
130
|
-
|
-
|
-
|
|
Ⅲ型
|
30
|
35
|
45
|
55
|
75
|
95
|
110
|
120
|
140
|
150
|
160
|
160
|
190
|
200
|
220
|
260
|
|
L3
|
76
|
80
|
89.5
|
87.5
|
112.5
|
129.5
|
142.5
|
160
|
175
|
180
|
220
|
230
|
260
|
295
|
320
|
360
|
|
L4
|
54
|
58
|
67
|
65
|
85
|
97
|
105
|
120
|
130
|
135
|
155
|
165
|
170
|
195
|
210
|
230
|
|
L5
|
17
|
20
|
20
|
20
|
30
|
30
|
30
|
35
|
35
|
40
|
40
|
40
|
40
|
40
|
50
|
50
|
|
L6
|
32
|
32
|
27.5
|
37.5
|
32.5
|
37.5
|
42.5
|
50
|
50
|
50
|
75
|
75
|
100
|
110
|
120
|
140
|
|
L20
|
106.5
|
110.5
|
127
|
135
|
165
|
192
|
207.5
|
232.5
|
250
|
260
|
307
|
320
|
369.5
|
400
|
435
|
480
|
|
L21
|
12.5
|
12.5
|
15
|
25
|
25
|
30
|
32.5
|
37.5
|
40
|
45
|
47
|
50
|
64.5
|
60
|
65
|
70
|
|
L22
|
30
|
35
|
40
|
50
|
55
|
60
|
65
|
75
|
80
|
90
|
94
|
100
|
120
|
120
|
130
|
140
|
|
L23
|
55
|
57
|
70
|
55
|
75
|
90
|
105
|
120
|
135
|
145
|
166
|
174
|
165
|
200
|
200
|
240
|
|
L24
|
110
|
130
|
150
|
170
|
205
|
255
|
280
|
330
|
360
|
385
|
445
|
500
|
530
|
610
|
660
|
750
|
|
L25
|
135
|
155
|
180
|
210
|
250
|
305
|
340
|
400
|
440
|
465
|
530
|
600
|
630
|
730
|
780
|
880
|
|
H1
|
45
|
55
|
65
|
70
|
85
|
105
|
115
|
135
|
150
|
160
|
185
|
205
|
225
|
255
|
280
|
320
|
|
H2
|
26
|
31
|
37
|
42
|
52
|
60
|
65
|
70
|
80
|
85
|
95
|
110
|
125
|
140
|
150
|
170
|
|
R2
|
56.5
|
61
|
75.5
|
81.5
|
99
|
113
|
133
|
149
|
172.5
|
182.5
|
210
|
230
|
261
|
287
|
330
|
360
|
|
R3
|
53
|
57.5
|
70.5
|
76.5
|
81
|
107
|
123
|
139
|
158.5
|
168.5
|
192
|
212
|
239
|
265
|
302
|
332
|
|
θ
|
30°
|
30°
|
30°
|
30°
|
30°
|
30°
|
45°
|
45°
|
45°
|
45°
|
45°
|
45°
|
54°
|
54°
|
30°
|
30°
|
|
n
|
6
|
6
|
6
|
6
|
6
|
6
|
8
|
8
|
8
|
8
|
8
|
8
|
8
|
8
|
10
|
10
|
|
|
0.013/
0.016
|
0.02/
0.023
|
0.026/
0.034
|
0.037/
0.05
|
0.057/
0.068
|
0.076/
0.096
|
0.127/
0.139
|
0.136/
0.149
|
0.171/
0.192
|
0.219/
0.244
|
0.282/
0.319
|
0.424/
0.466
|
0.476/
0.523
|
0.612/
0.663
|
0.743/
0.829
|
0.934/
1.031
|
|
j
kg
|
ⅠⅡⅢ
|
7.7/
7.8
|
12.9/
13.0
|
19.7/
20 .0
|
29.7/29.8
|
49/
50
|
86/
87
|
118/
119
|
176/
177
|
233/
235
|
297/
299
|
430/
432
|
570/
573
|
787/
791
|
1125/
1128
|
1500/
1508
|
2102/
2109
|
|
AⅠ、BⅡ、CⅢ
|
8.4/
8.5
|
13.9/
14.0
|
21.1/
21.4
|
32.1/
32.3
|
53/
54
|
94/
95
|
128/
129
|
193/
194
|
260/
262
|
327/
329
|
477/
479
|
618/
621
|
875/
879
|
1244/
1247
|
1640/
1648
|
2289/
2296
|
液压缸重量:Q≈J+△.S KG
|
|
|
上一页 [1] [2] [3] [4] [5] [6] [7] [8] [9] [10] [11] [12] [13] [14] [15] 下一页 | | | 上一条:YG、Y-HGI系列液压缸 下一条:工程油缸MH系列 | | [返回] [打印] |
|
|