|
|
 |
|
| |
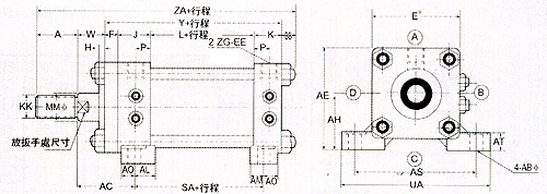
| MJ型油缸——工程型油缸 | | |
| |
| ▲带销双耳环: |
|
代号│内径
|
30
|
40
|
50
|
63
|
80
|
100
|
125
|
140
|
150
|
160
|
180
|
200
|
224
|
250
|
|
共通
|
活塞杆径
|
B型
|
A
|
25
|
30
|
35
|
45
|
60
|
75
|
95
|
110
|
115
|
120
|
140
|
150
|
180
|
195
|
|
D
|
36
|
40
|
46
|
55
|
65
|
80
|
95
|
105
|
110
|
115
|
125
|
140
|
150
|
170
|
|
H
|
10
|
10
|
10
|
10
|
10
|
10
|
10
|
10
|
10
|
10
|
10
|
10
|
10
|
10
|
|
KK
|
M16×1.5
|
M20×1.5
|
M24×1.5
|
M30×1.5
|
M39×1.5
|
M48×1.5
|
M64×2
|
M72×2
|
M76×2
|
M80×2
|
M95×2
|
M100×2
|
M120×2
|
M130×2
|
|
MM
|
18
|
22.4
|
28
|
35.5
|
45
|
56
|
71
|
80
|
85
|
90
|
100
|
112
|
125
|
140
|
|
C型
|
A
|
-
|
25
|
30
|
35
|
45
|
60
|
75
|
80
|
85
|
-
|
-
|
-
|
-
|
-
|
|
D
|
-
|
36
|
40
|
46
|
55
|
65
|
80
|
85
|
90
|
-
|
-
|
-
|
-
|
-
|
|
H
|
-
|
10
|
10
|
10
|
10
|
10
|
10
|
10
|
10
|
-
|
-
|
-
|
-
|
-
|
|
KK
|
-
|
M16×1.5
|
M20×1.5
|
M24×1.5
|
M30×1.5
|
M39×1.5
|
M48×1.5
|
M56×2
|
M60×2
|
-
|
-
|
-
|
-
|
-
|
|
MM
|
-
|
18
|
22.4
|
28
|
35.5
|
45
|
56
|
63
|
67
|
-
|
-
|
-
|
-
|
-
|
|
BB
|
10
|
11
|
11
|
13
|
16
|
18
|
21
|
22
|
25
|
25
|
27
|
29
|
34
|
37
|
|
E
|
55
|
65
|
75
|
90
|
110
|
135
|
165
|
185
|
196
|
210
|
235
|
262
|
292
|
325
|
|
EE(ZG)
|
3/8
|
3/8
|
1/2
|
1/2
|
3/4
|
3/4
|
1
|
1
|
1
|
1
|
1 1/4
|
1 1/2
|
1 1/2
|
2
|
|
F
|
11
|
11
|
13
|
15
|
18
|
20
|
24
|
26
|
28
|
31
|
33
|
37
|
41
|
46
|
|
J
|
42
|
42
|
46
|
48
|
58
|
58
|
68
|
68
|
68
|
69
|
85
|
95
|
95
|
115
|
|
K
|
28
|
28
|
32
|
32
|
38
|
38
|
48
|
48
|
48
|
49
|
71
|
79
|
79
|
95
|
|
L
|
60
|
60
|
64
|
68
|
70
|
76
|
80
|
88
|
96
|
104
|
86
|
90
|
90
|
90
|
|
P
|
15
|
15
|
17
|
17
|
20
|
20
|
25
|
25
|
25
|
26
|
43
|
47
|
47
|
55
|
|
W
|
30
|
30
|
30
|
35
|
35
|
40
|
45
|
50
|
50
|
55
|
55
|
55
|
60
|
65
|
|
Y
|
141
|
141
|
155
|
163
|
184
|
192
|
220
|
230
|
240
|
253
|
275
|
301
|
305
|
346
|
|
放扳手处尺寸(B型)
|
14
|
19
|
24
|
30
|
41
|
50
|
65
|
75
|
80
|
85
|
95
|
105
|
115
|
130
|
|
LA型
|
AB
|
11
|
11
|
14
|
18
|
18
|
22
|
26
|
26
|
30
|
33
|
33
|
36
|
42
|
45
|
|
AC
|
57
|
57
|
60
|
71
|
74
|
85
|
99
|
106
|
111
|
122
|
123
|
131
|
140
|
158
|
|
AE
|
62.5
|
70
|
82.5
|
95
|
115
|
138.5
|
67.5
|
187.5
|
204
|
217
|
242.5
|
271
|
296
|
332.5
|
|
AH
|
±0.15 35
|
±0.15 37.5
|
±0.15 45
|
±0.15 50
|
±0.15 60
|
±0.25 71
|
±0.25 85
|
±0.25 95
|
±0.25 106
|
±0.25 112
|
±0.25 125
|
±0.25 140
|
±0.25 150
|
±0.25 170
|
|
AL
|
31
|
31
|
34
|
32
|
42
|
38
|
41
|
41
|
38
|
40
|
50
|
56
|
56
|
68
|
|
AM
|
31
|
31
|
34
|
32
|
42
|
38
|
41
|
41
|
38
|
40
|
56
|
40
|
40
|
48
|
|
AO
|
13
|
13
|
14
|
18
|
18
|
22
|
25
|
25
|
28
|
31
|
35
|
39
|
39
|
47
|
|
AS
|
88
|
95
|
115
|
132
|
155
|
190
|
224
|
250
|
270
|
285
|
315
|
355
|
395
|
425
|
|
AT
|
14
|
14
|
17
|
19
|
25
|
27
|
32
|
35
|
37
|
42
|
47
|
52
|
52
|
57
|
|
SA
|
98
|
98
|
108
|
106
|
124
|
122
|
136
|
144
|
146
|
150
|
172
|
186
|
186
|
206
|
|
SC
|
-
|
112
|
122
|
122
|
144
|
142
|
156
|
164
|
166
|
170
|
-
|
-
|
-
|
-
|
|
UA
|
109
|
118
|
145
|
165
|
190
|
230
|
272
|
300
|
320
|
345
|
375
|
425
|
475
|
515
|
|
ZA
|
B型
|
206
|
212
|
231
|
256
|
295
|
325
|
381
|
412
|
430
|
453
|
497
|
535
|
579
|
643
|
|
C型
|
-
|
207
|
226
|
246
|
280
|
310
|
361
|
382
|
400
|
-
|
-
|
-
|
-
|
-
|
|
缓动行程
|
-
|
20
|
25
|
30
|
35
|
|
|
上一页 [1] [2] [3] [4] [5] [6] [7] [8] [9] [10] [11] [12] [13] [14] [15] [16] 下一页 | | | 上一条:工程油缸MH系列 下一条:YZ系列液压泵站 | | [返回] [打印] |
|
|