|
|
 |
|
| |
| YG、Y-HGI系列液压缸 | | |
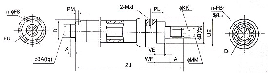
| ▲外形及安装尺寸: |
|
缸径
|
杆端螺纹φKK
|
φMM
|
φB
|
φBA
|
D
|
FU
|
D1
|
UE
|
VE
|
WF
|
ZJ
|
X
|
PM
|
PL
|
L0
|
n1-FB1
|
n-FB
|
A
|
mxt
|
|
φ=1.46
|
φ=2
|
φ=1.46
|
φ=2
|
φ=1.46
|
φ=2
|
|
40
|
M16*1.5
|
M20*1.5
|
22
|
28
|
48
|
20
|
42
|
66
|
|
80
|
19
|
32
|
190
|
8
|
26
|
44
|
12
|
8-M6
|
6-M8
|
22
|
28
|
14*1.5
|
|
50
|
M20*1.5
|
M27*2
|
28
|
35
|
55
|
30
|
50
|
75
|
63.5
|
90
|
24
|
38
|
205
|
8
|
18
|
61
|
12
|
8-M6
|
6-M8
|
28
|
36
|
14*1.5
|
|
63
|
M27*2
|
M33*2
|
35
|
45
|
70
|
38
|
60
|
90
|
|
108
|
29
|
45
|
224
|
10
|
25
|
52
|
12
|
8-M8
|
6-M10
|
36
|
45
|
22*1.5
|
|
80
|
M33*2
|
M42*2
|
45
|
55
|
86
|
55
|
75
|
112
|
95
|
134
|
36
|
54
|
250
|
10
|
36
|
58
|
13
|
8-M10
|
6-M12
|
45
|
56
|
27*3
|
|
100
|
M42*2
|
M48*2
|
55
|
70
|
113
|
63
|
85
|
150
|
|
175
|
37
|
57
|
300
|
10
|
47
|
69
|
18
|
8-M12
|
6-M16
|
56
|
63
|
33*2
|
|
125
|
M48*2
|
M64*3
|
70
|
90
|
150
|
80
|
115
|
184
|
152
|
212
|
37
|
60
|
325
|
10
|
50
|
85
|
22
|
8-M16
|
6-M16
|
63
|
85
|
33*2
|
|
160
|
M64*3
|
M64*3
|
90
|
110
|
190
|
110
|
150
|
230
|
|
265
|
41
|
66
|
370
|
10
|
59
|
91
|
26
|
8-M20
|
6-M20
|
85
|
95
|
42*2
|
|
| |
| ▲F1前端矩形法兰式: |
|
缸径
|
WH
|
ZB
|
R
|
D0
|
VD
|
U0
|
E
|
FB
|
|
40
|
16
|
198
|
40.6
|
98
|
3
|
120
|
86
|
9
|
|
50
|
18
|
213
|
48.2
|
116.4
|
4
|
140
|
95
|
11
|
|
63
|
20
|
234
|
55.5
|
134
|
4
|
165
|
115
|
13.5
|
|
80
|
22
|
260
|
63.1
|
152.5
|
4
|
190
|
140
|
17.5
|
|
100
|
25
|
310
|
76.5
|
184.8
|
5
|
230
|
185
|
22
|
|
125
|
28
|
335
|
90.2
|
217.1
|
5
|
260
|
225
|
22
|
|
|
上一页 [1] [2] [3] [4] [5] [6] [7] [8] [9] [10] [11] 下一页 | | | 上一条:DG型车辆用液压缸 下一条:C25、D25液压缸系列 | | [返回] [打印] |
|
|