|
|
 |
|
| |
| 工程油缸MH系列 | | |
| |
| ▲尺寸表: |
|
代号内径
|
40
|
50
|
63
|
80
|
100
|
125
|
140
|
160
|
|
AB
|
11
|
14
|
18
|
22
|
26
|
33
|
33
|
36
|
|
AC
|
59
|
63
|
71
|
80
|
89
|
114
|
114
|
127
|
|
AE
|
77
|
97.5
|
113
|
137.5
|
165
|
219.5
|
219.5
|
245
|
|
AH
|
42±0.15
|
55±0.15
|
63±0.15
|
75±0.25
|
85±0.25
|
112±0.25
|
112±0.25
|
125±0.25
|
|
AL
|
31
|
34
|
39
|
46
|
44
|
49
|
49
|
49
|
|
AM
|
16
|
19
|
19
|
21
|
24
|
29
|
29
|
31
|
|
AO
|
16
|
18
|
18
|
21
|
23
|
28
|
28
|
31
|
|
AS
|
98
|
118
|
140
|
175
|
215
|
280
|
280
|
315
|
|
AT
|
15
|
20
|
25
|
30
|
35
|
45
|
45
|
50
|
|
KL
|
32
|
37
|
37
|
42
|
47
|
57
|
57
|
62
|
|
SA
|
111
|
120
|
132
|
152
|
162
|
187
|
187
|
212
|
|
UA
|
122
|
145
|
175
|
210
|
260
|
335
|
335
|
375
|
|
YL
|
156
|
172
|
187
|
218
|
235
|
280
|
280
|
315
|
|
ZL
|
233
|
255
|
287
|
228
|
379
|
478
|
478
|
532
|
|
| |
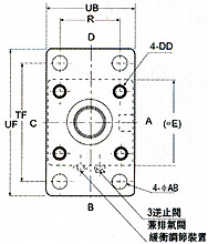
| ▲尺寸表: |
|
代号内径
|
40
|
50
|
63
|
80
|
100
|
125
|
140
|
160
|
|
AB
|
11
|
14
|
18
|
22
|
26
|
33
|
33
|
36
|
|
FF
|
15
|
20
|
24
|
24
|
31
|
37
|
41
|
46
|
|
R
|
50
|
60
|
73
|
90
|
115
|
145
|
160
|
180
|
|
TF
|
98
|
118
|
140
|
175
|
215
|
270
|
280
|
315
|
|
UB
|
73
|
88
|
106
|
130
|
165
|
205
|
218
|
243
|
|
UF
|
122
|
145
|
175
|
210
|
260
|
330
|
335
|
375
|
|
WA
|
28
|
25
|
29
|
35
|
35
|
41
|
45
|
50
|
|
YA
|
158
|
177
|
193
|
218
|
235
|
271
|
280
|
309
|
|
ZA
|
233
|
255
|
287
|
338
|
374
|
442
|
473
|
521
|
|
|
|
上一页 [1] [2] [3] [4] [5] [6] [7] [8] 下一页 | | | 上一条:C25、D25液压缸系列 下一条:MJ型油缸——工程型油缸 | | [返回] [打印] |
|
|