|
|
 |
|
| |
| QGS系列标准气缸 | | |
|
|
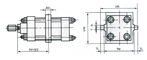
| ▲方法兰型、中间轴销型外形安装尺寸表: |
|
缸径
|
BO
|
FB
|
MF
|
R
|
TD
|
TF
|
TL
|
TM
|
UF
|
UM
|
UW
|
W
|
XV
|
ZJ
|
|
32
|
25
|
7
|
8
|
32
|
12
|
64
|
12
|
50
|
80
|
74
|
53
|
18
|
74
|
122
|
|
40
|
30
|
9
|
10
|
36
|
16
|
72
|
16
|
63
|
88
|
95
|
58
|
20
|
81.5
|
133
|
|
50
|
30
|
9
|
10
|
45
|
16
|
90
|
16
|
75
|
110
|
107
|
70
|
25
|
88
|
141
|
|
63
|
35
|
9
|
12
|
50
|
20
|
100
|
20
|
90
|
120
|
130
|
85
|
23
|
97.5
|
160
|
|
80
|
35
|
12
|
16
|
63
|
20
|
126
|
20
|
110
|
150
|
150
|
105
|
30
|
110
|
174
|
|
100
|
45
|
14
|
16
|
75
|
25
|
150
|
25
|
132
|
184
|
182
|
126
|
35
|
120
|
189
|
|
125
|
45
|
16
|
18
|
90
|
25
|
180
|
25
|
160
|
210
|
210
|
155
|
43
|
143
|
225
|
|
160
|
60
|
18
|
20
|
115
|
32
|
230
|
32
|
200
|
268
|
264
|
195
|
62
|
170
|
258
|
|
200
|
60
|
22
|
20
|
135
|
32
|
270
|
32
|
250
|
320
|
314
|
240
|
70
|
185
|
280
|
|
250
|
70
|
26
|
25
|
166
|
40
|
330
|
40
|
320
|
394
|
400
|
300
|
80
|
205
|
305
|
|
320
|
80
|
33
|
30
|
200
|
50
|
400
|
50
|
400
|
475
|
500
|
380
|
90
|
230
|
340
|
|
|
|
上一页 [1] [2] [3] [4] | | | 上一条:气刹车(连续回转顶紧气缸) 下一条:QGSG双杆、QGSH双缸气缸 | | [返回] [打印] |
|
|