|
|
 |
|
| |
| YG、Y-HGI系列液压缸 | | |
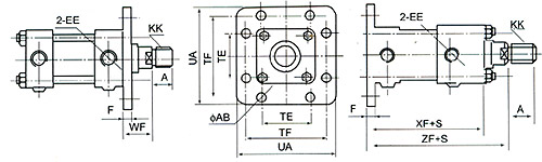
| ▲MF5前端方形法兰式、MF6后端方形法兰式: |
|
缸径
|
AB
|
F
|
TE
|
TF
|
UA
|
WF
|
XF
|
ZF
|
|
40
|
11
|
11
|
46
|
95
|
118
|
41
|
152
|
182
|
|
50
|
14
|
13
|
58
|
115
|
145
|
43
|
168
|
198
|
|
63
|
18
|
15
|
65
|
132
|
165
|
50
|
178
|
213
|
|
80
|
18
|
18
|
87
|
155
|
190
|
53
|
202
|
237
|
|
100
|
22
|
20
|
109
|
190
|
230
|
60
|
212
|
252
|
|
125
|
26
|
24
|
130
|
224
|
272
|
69
|
244
|
289
|
|
160
|
33
|
31
|
170
|
285
|
345
|
86
|
284
|
339
|
|
| |
| ▲MF3后端单耳环式: |
|
缸径
|
CD(Hg)
|
FW(d77)
|
L
|
MR
|
T
|
XD
|
ZC
|
|
40
|
16
|
25
|
28
|
16
|
10
|
209
|
225
|
|
50
|
20
|
31.5
|
33
|
20
|
12
|
230
|
250
|
|
63
|
31.5
|
40
|
48
|
31.5
|
14
|
261
|
292.5
|
|
80
|
31.5
|
31.5
|
40
|
55
|
31.5
|
17
|
291
|
|
100
|
40
|
53
|
65
|
40
|
19
|
316
|
356
|
|
125
|
50
|
63
|
77
|
50
|
23
|
365
|
415
|
|
160
|
71
|
80
|
107
|
71
|
30
|
445
|
516
|
|
|
上一页 [1] [2] [3] [4] [5] [6] [7] [8] [9] [10] [11] 下一页 | | | 上一条:DG型车辆用液压缸 下一条:C25、D25液压缸系列 | | [返回] [打印] |
|
|