|
|
 |
|
| |
| YG、Y-HGI系列液压缸 | | |
| ▲尺寸图: |
|
|
缸径
|
MM
|
KK
|
A
|
EE
|
B
|
D
|
E
|
L
|
P
|
R
|
W
|
YP
|
|
φ=1.25
|
φ=1.46
|
φ=1.25
|
φ=1.46
|
φ=1.25
|
φ=1.46
|
|
40
|
18
|
22
|
M16*1.5
|
M20*1.5
|
25
|
30
|
M18*1.5
|
11
|
10
|
65
|
141
|
90
|
45
|
30
|
38
|
|
50
|
22
|
28
|
M20*1.5
|
M24*2
|
30
|
35
|
M22*1.5
|
11
|
10
|
75
|
155
|
98
|
52
|
30
|
42
|
|
63
|
28
|
35
|
M24*2
|
M30*2
|
35
|
45
|
M22*1.5
|
13
|
12
|
90
|
163
|
102
|
63
|
35
|
46
|
|
80
|
35
|
45
|
M30*2
|
M39*2
|
45
|
60
|
M27*2
|
16
|
16
|
110
|
184
|
108
|
80
|
35
|
56
|
|
100
|
45
|
55
|
M39*2
|
M48*2
|
60
|
75
|
M27*2
|
18
|
18
|
135
|
192
|
113
|
102
|
40
|
58
|
|
125
|
55
|
70
|
M48*2
|
M64*3
|
75
|
95
|
M33*3
|
21
|
22
|
165
|
220
|
128
|
122
|
45
|
67
|
|
160
|
70
|
90
|
M64*3
|
M80*3
|
95
|
120
|
M33*3
|
25
|
27
|
210
|
253
|
145
|
160
|
55
|
74
|
|
| |
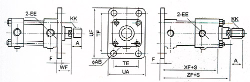
| ▲MF1前端矩形法兰式、MF2后端矩形法兰式: |
|
缸径
|
AB
|
F
|
TE
|
TF
|
UA
|
UF
|
WF
|
XF
|
ZF
|
|
40
|
11
|
11
|
46
|
95
|
69
|
118
|
41
|
152
|
182
|
|
50
|
14
|
13
|
58
|
115
|
85
|
145
|
43
|
168
|
198
|
|
63
|
18
|
15
|
65
|
132
|
98
|
165
|
50
|
178
|
213
|
|
80
|
18
|
18
|
87
|
155
|
118
|
190
|
53
|
202
|
237
|
|
100
|
22
|
20
|
109
|
190
|
150
|
230
|
60
|
212
|
252
|
|
125
|
26
|
24
|
130
|
224
|
175
|
272
|
69
|
244
|
289
|
|
160
|
33
|
31
|
170
|
285
|
225
|
345
|
86
|
284
|
339
|
|
| | | 上一条:DG型车辆用液压缸 下一条:C25、D25液压缸系列 | | [返回] [打印] |
|
|