|
|
 |
|
| |
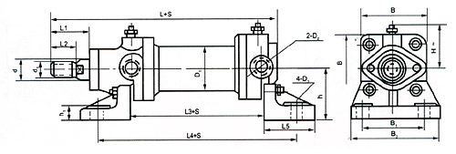
| JB2162-77系列液压缸 | | |
|
|
| ▲基本参数: |
|
D
|
d
|
D1
|
D2
|
D3
|
d1
|
L
|
L1
|
L2
|
L3
|
L4
|
L5
|
B
|
B1
|
B2
|
h
|
h1
|
h≈
|
|
50
|
28
|
63.5*
|
M18*1.5
|
18
|
M22*1.5
|
245
|
55
|
30
|
110
|
220
|
75
|
90
|
90
|
130
|
75
|
17
|
99
|
|
63
|
35
|
76
|
M22*1.5
|
22
|
M27*2
|
290
|
65
|
40
|
131
|
261
|
85
|
115
|
105
|
145
|
90
|
20
|
79
|
|
80
|
45
|
102
|
M27*2
|
26
|
M33*2
|
340
|
80
|
50
|
160
|
310
|
100
|
140
|
120
|
170
|
105
|
22
|
92
|
|
100
|
55
|
121
|
M27*2
|
32
|
M42*2
|
390
|
95
|
60
|
180
|
360
|
120
|
165
|
200
|
260
|
125
|
28
|
105
|
|
125
|
70
|
152
|
M33*2
|
40
|
M52*2
|
460
|
105
|
70
|
203
|
413
|
140
|
210
|
210
|
280
|
150
|
30
|
127
|
|
160
|
90
|
199
|
M33*2
|
45
|
M68*2
|
560
|
140
|
100
|
254
|
490
|
198
|
260
|
320
|
420
|
200
|
40
|
152
|
|
200
|
110
|
245
|
M42*2
|
50
|
M85*3
|
675
|
165
|
110
|
285
|
545
|
190
|
310
|
400
|
520
|
235
|
50
|
177
|
|
250
|
140
|
299
|
M48*2
|
60
|
M100*3
|
790
|
200
|
130
|
345
|
705
|
705
|
360
|
400
|
520
|
250
|
52
|
202
|
|
|
上一页 [1] [2] [3] [4] 下一页 | | | 上一条:HSG型工程机械液压缸 下一条:DG型车辆用液压缸 | | [返回] [打印] |
|
|