|
|
 |
|
| |
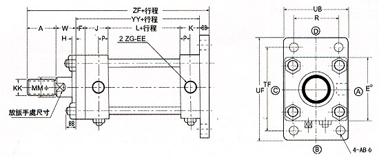
| MJ型油缸——工程型油缸 | | |
| ▲外型尺寸图 7.14MPa: |
|
安装型式
|
工作压力MP
|
尺寸代号
|
备注
|
|
FB
|
7
|
F
|
ZC
|
其它尺寸相同
|
|
FZ
|
14
|
FF
|
ZG
|
|
|
| |
| ▲双活塞杆型(φ40-φ160)φ40-C除外: |
|
代号│内径
|
30
|
40
|
50
|
63
|
80
|
100
|
125
|
140
|
150
|
160
|
180
|
200
|
224
|
250
|
|
共通
|
活塞杆径
|
B型
|
A
|
25
|
30
|
35
|
45
|
60
|
75
|
95
|
110
|
115
|
120
|
140
|
150
|
180
|
195
|
|
D
|
36
|
40
|
46
|
55
|
65
|
80
|
95
|
105
|
110
|
115
|
125
|
140
|
150
|
170
|
|
H
|
10
|
10
|
10
|
10
|
10
|
10
|
10
|
10
|
10
|
10
|
10
|
10
|
10
|
10
|
|
KK
|
M16×1.5
|
M20×1.5
|
M24×1.5
|
M30×1.5
|
M39×1.5
|
M48×1.5
|
M64×2
|
M72×2
|
M76×2
|
M80×2
|
M95×2
|
M100×2
|
M120×2
|
M130×2
|
|
MM
|
18
|
22.4
|
28
|
35.5
|
45
|
56
|
71
|
80
|
85
|
90
|
100
|
112
|
125
|
140
|
|
C型
|
A
|
-
|
25
|
30
|
35
|
45
|
60
|
75
|
80
|
85
|
-
|
-
|
-
|
-
|
-
|
|
D
|
-
|
36
|
40
|
46
|
55
|
65
|
80
|
85
|
90
|
-
|
-
|
-
|
-
|
-
|
|
H
|
-
|
10
|
10
|
10
|
10
|
10
|
10
|
10
|
10
|
-
|
-
|
-
|
-
|
-
|
|
KK
|
-
|
M16×1.5
|
M20×1.5
|
M24×1.5
|
M30×1.5
|
M39×1.5
|
M48×1.5
|
M56×2
|
M60×2
|
-
|
-
|
-
|
-
|
-
|
|
MM
|
-
|
18
|
22.4
|
28
|
35.5
|
45
|
56
|
63
|
67
|
-
|
-
|
-
|
-
|
-
|
|
BB
|
10
|
11
|
11
|
13
|
16
|
18
|
21
|
22
|
25
|
25
|
27
|
29
|
34
|
37
|
|
E
|
55
|
65
|
75
|
90
|
110
|
135
|
165
|
185
|
196
|
210
|
235
|
262
|
292
|
325
|
|
EE(ZG)
|
3/8
|
3/8
|
1/2
|
1/2
|
3/4
|
3/4
|
1
|
1
|
1
|
1
|
1 1/4
|
1 1/2
|
1 1/2
|
2
|
|
F
|
11
|
11
|
13
|
15
|
18
|
20
|
24
|
26
|
28
|
31
|
33
|
37
|
41
|
46
|
|
J
|
42
|
42
|
46
|
48
|
58
|
58
|
68
|
68
|
68
|
69
|
85
|
95
|
95
|
115
|
|
K
|
28
|
28
|
32
|
32
|
38
|
38
|
48
|
48
|
48
|
49
|
71
|
79
|
79
|
95
|
|
L
|
60
|
60
|
64
|
68
|
70
|
76
|
80
|
88
|
96
|
104
|
86
|
90
|
90
|
90
|
|
P
|
15
|
15
|
17
|
17
|
20
|
20
|
25
|
25
|
25
|
26
|
43
|
47
|
47
|
55
|
|
W
|
30
|
30
|
30
|
35
|
35
|
40
|
45
|
50
|
50
|
55
|
55
|
55
|
60
|
65
|
|
放扳手处尺寸(B型)
|
14
|
19
|
24
|
30
|
41
|
50
|
65
|
75
|
80
|
85
|
95
|
105
|
115
|
130
|
|
FZ型
|
AB
|
11
|
11
|
14
|
18
|
18
|
22
|
26
|
26
|
30
|
33
|
33
|
36
|
42
|
45
|
|
FF
|
13
|
13
|
18
|
20
|
24
|
28
|
33
|
37
|
39
|
41
|
46
|
51
|
58
|
65
|
|
R
|
40
|
46
|
58
|
65
|
87
|
109
|
130
|
145
|
155
|
170
|
185
|
206
|
230
|
250
|
|
RF
|
88
|
95
|
115
|
132
|
155
|
190
|
224
|
250
|
270
|
285
|
315
|
355
|
395
|
425
|
|
UB
|
63
|
69
|
85
|
98
|
118
|
150
|
175
|
195
|
210
|
225
|
243
|
272
|
310
|
335
|
|
UF
|
109
|
118
|
145
|
165
|
190
|
230
|
272
|
300
|
320
|
345
|
375
|
425
|
475
|
515
|
|
YC
|
-
|
168
|
187
|
199
|
228
|
240
|
273
|
287
|
299
|
314
|
-
|
-
|
-
|
-
|
|
ZG
|
B型
|
209
|
214
|
238
|
263
|
303
|
335
|
393
|
427
|
444
|
469
|
516
|
557
|
603
|
671
|
|
C型
|
-
|
209
|
233
|
253
|
288
|
320
|
373
|
397
|
414
|
-
|
-
|
-
|
-
|
-
|
|
缓动行程
|
-
|
20
|
25
|
30
|
35
|
|
|
|
上一页 [1] [2] [3] [4] [5] [6] [7] [8] [9] [10] [11] [12] [13] [14] [15] [16] 下一页 | | | 上一条:工程油缸MH系列 下一条:YZ系列液压泵站 | | [返回] [打印] |
|
|