|
|
 |
|
| |
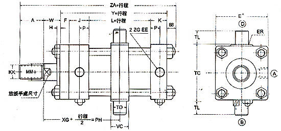
| MJ型油缸——工程型油缸 | | |
| |
| ▲单位:mm: |
|
代号│内径
|
30
|
40
|
50
|
63
|
80
|
100
|
125
|
140
|
150
|
160
|
180
|
200
|
224
|
250
|
|
共通
|
活塞杆径
|
B型
|
A
|
25
|
30
|
35
|
45
|
60
|
75
|
95
|
110
|
115
|
120
|
140
|
150
|
180
|
195
|
|
D
|
36
|
40
|
46
|
55
|
65
|
80
|
95
|
105
|
110
|
115
|
125
|
140
|
150
|
170
|
|
H
|
10
|
10
|
10
|
10
|
10
|
10
|
10
|
10
|
10
|
10
|
10
|
10
|
10
|
10
|
|
KK
|
M16×1.5
|
M20×1.5
|
M24×1.5
|
M30×1.5
|
M39×1.5
|
M48×1.5
|
M64×2
|
M72×2
|
M76×2
|
M80×2
|
M95×2
|
M100×2
|
M120×2
|
M130×2
|
|
MM
|
18
|
22.4
|
28
|
35.5
|
45
|
56
|
71
|
80
|
85
|
90
|
100
|
112
|
125
|
140
|
|
C型
|
A
|
-
|
25
|
30
|
35
|
45
|
60
|
75
|
80
|
85
|
-
|
-
|
-
|
-
|
-
|
|
D
|
-
|
36
|
40
|
46
|
55
|
65
|
80
|
85
|
90
|
-
|
-
|
-
|
-
|
-
|
|
H
|
-
|
10
|
10
|
10
|
10
|
10
|
10
|
10
|
10
|
-
|
-
|
-
|
-
|
-
|
|
KK
|
-
|
M16×1.5
|
M20×1.5
|
M24×1.5
|
M30×1.5
|
M39×1.5
|
M48×1.5
|
M56×2
|
M60×2
|
-
|
-
|
-
|
-
|
-
|
|
MM
|
-
|
18
|
22.4
|
28
|
35.5
|
45
|
56
|
63
|
67
|
-
|
-
|
-
|
-
|
-
|
|
BB
|
10
|
11
|
11
|
13
|
16
|
18
|
21
|
22
|
25
|
25
|
27
|
29
|
34
|
37
|
|
E
|
55
|
65
|
75
|
90
|
110
|
135
|
165
|
185
|
196
|
210
|
235
|
262
|
292
|
325
|
|
EE(ZG)
|
3/8
|
3/8
|
1/2
|
1/2
|
3/4
|
3/4
|
1
|
1
|
1
|
1
|
1 1/4
|
1 1/2
|
1 1/2
|
2
|
|
F
|
11
|
11
|
13
|
15
|
18
|
20
|
24
|
26
|
28
|
31
|
33
|
37
|
41
|
46
|
|
J
|
-
|
42
|
46
|
48
|
58
|
58
|
68
|
68
|
68
|
69
|
-
|
-
|
-
|
-
|
|
K
|
28
|
28
|
32
|
32
|
38
|
38
|
48
|
48
|
48
|
49
|
71
|
79
|
79
|
95
|
|
L
|
60
|
60
|
64
|
68
|
70
|
76
|
80
|
88
|
96
|
104
|
86
|
90
|
90
|
90
|
|
P
|
15
|
15
|
17
|
17
|
20
|
20
|
25
|
25
|
25
|
26
|
43
|
47
|
47
|
55
|
|
W
|
30
|
30
|
30
|
35
|
35
|
40
|
45
|
50
|
50
|
55
|
55
|
55
|
60
|
65
|
|
放扳手处尺寸(B型)
|
14
|
19
|
24
|
30
|
41
|
50
|
65
|
75
|
80
|
85
|
95
|
105
|
115
|
130
|
|
TC型
|
TC
|
0
58
-0.3
|
0
69
-0.3
|
0
85
-0.35
|
0
58
-0.3
|
0
58
-0.3
|
0
58
-0.3
|
0
58
-0.3
|
0
58
-0.3
|
0
58
-0.3
|
0
58
-0.3
|
0
58
-0.3
|
0
58
-0.3
|
0
58
-0.3
|
0
58
-0.3
|
|
TD
|
20
|
20
|
25
|
31.5
|
31.5
|
40
|
50
|
63
|
63
|
71
|
80
|
90
|
100
|
100
|
|
TL
|
20
|
20
|
25
|
31.5
|
31.5
|
40
|
50
|
63
|
63
|
71
|
80
|
90
|
100
|
100
|
|
TR
|
2
|
2
|
2.5
|
2.5
|
2.5
|
3
|
3
|
4
|
4
|
4
|
4
|
5
|
5
|
5
|
|
VC
|
28
|
28
|
33
|
43
|
43
|
53
|
58
|
78
|
78
|
88
|
98
|
108
|
117
|
117
|
|
XG
|
113
|
113
|
121
|
132
|
146
|
156
|
177
|
188
|
194
|
207
|
216
|
232
|
241
|
271
|
|
YA
|
-
|
166
|
182
|
194
|
222
|
232
|
264
|
276
|
288
|
304
|
-
|
-
|
-
|
-
|
|
ZA
|
B型
|
206
|
212
|
231
|
256
|
295
|
325
|
381
|
412
|
430
|
463
|
497
|
535
|
589
|
643
|
|
C型
|
-
|
207
|
226
|
246
|
280
|
310
|
361
|
382
|
400
|
-
|
-
|
-
|
-
|
-
|
|
缓动行程
|
-
|
20
|
25
|
30
|
35
|
|
|
|
上一页 [1] [2] [3] [4] [5] [6] [7] [8] [9] [10] [11] [12] [13] [14] [15] [16] 下一页 | | | 上一条:工程油缸MH系列 下一条:YZ系列液压泵站 | | [返回] [打印] |
|
|