专业生产气刹车制动器
  设为首页   |   加入收藏  |  联系方式
无锡市宏建液压气动元件厂     用户服务热线:0510-88551107
主页导航 公司简介 产品展示 资质荣誉 新闻中心 下载中心 在线留言 联系方式
 
用于拉丝机行业的
执行元件:气缸
执行元件:液压缸
YZ系列液压泵站
高压软管总成
 
无锡市宏建液压气动元件厂
地址:江苏无锡新区梅村新泰工业区锡群路49号
联系人:王建
手   机:(0)13506175330
电 话:0510-88551102
用户服务热线:0510-88551107
E-mail:sales@wxhjyy.com
网 址:http://www.wxhjyy.com
 
您当前的位置:宏建液压主页 > 产品展示
 
HSG型工程机械液压缸

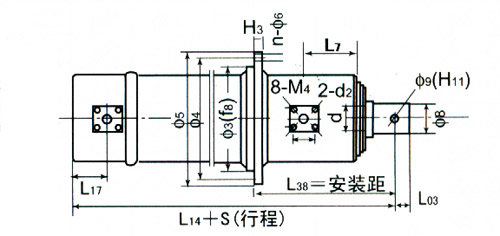
▲活塞杆端为内螺纹杆头耳环连接的安装连接尺寸表 单位:mm :
1、耳环连接图四(1)

2、耳环连接图四-(2)

3、耳环连接图四-(3)

4、较轴连接图四-(4)

5、较轴连接图四-(5)

6、端部法兰连接图四-(6)

7、端部法兰连接图四-(7)

8、中部法兰连接图四-(8)

上一页 [1] [2] [3] [4] [5] [6] [7] [8] [9] [10] [11] [12] [13] 下一页

上一条:QGD 系列薄型气缸
下一条:JB2162-77系列液压缸
[返回] [打印]
主页导航 | 公司简介 | 产品展示 | 资质荣誉 | 新闻中心 | 下载中心 | 在线留言 | 联系方式
WEBSITE © 2011 无锡市宏建液压气动元件厂  专业生产气刹车
地址:江苏无锡新区梅村新泰工业区锡群路49号 厂长:王建 (0)13506175330 电话:0510-88551102 传真:0510-88551103
邮编:214112 用户服务热线:0510-88551107 网址:http://www.wxhjyy.com E-mail:sales@wxhjyy.com
打印该页 | 发送邮局 | 返回顶部
苏ICP备05018103号-1 | 网站建设:君通科技